 |
|
 |
 |
|
 |
|
 |
HOME > Á¦Ç°¼Ò°³ > ¿ëÀü O.TÀ¯°ø°ü, Á÷°üÀ¯°ø°ü |
|
|
| |
|
|
 |
 |
Ư¡
1. ¿øÅÍÄ¡ ÀÛ¾÷À¸·Î ½Ã°øÀÌ °£ÆíÇÏ´Ù.
2. Á¶µµ°è¼ö°¡ ³·¾Æ À¯¼ÓÀÌ ÁÁ´Ù.
3. À̵¿ ¹× Ãë±ÞÀÌ °£ÆíÇÏ°í ¹°ÀÌ ³ª¿À´Â ÇöÀå¿¡¼µµ ½Ã°øÀÌ °¡´ÉÇÏ´Ù.
4. O.T Á¢ÇÕÀº °üÀÇ ¿ÆØÃ¢ °è¼ö¿¡ µû¸¥ À̵¿°ø°£ÀÌ ÀÖ¾î ¼öÃà ÆØÃ¢À» Èí¼ö Á¶ÀýÇÒ ¼ö ÀÖ´Ù.
|
¿ëµµ
1. ¿îµ¿Àå ¹× Ã¼À°°ø»ç Á¶¼º»ç¾÷
2. °ñÇÁÀå ¹× ¼ö¿µÀå µîÀÇ ¼Û ¹è¼ö°ü
3. ¸Å¸³ÀåÀÇ Ä§Ãâ¼ö ¼Û.¹è¼ö¿ë |
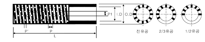
| ±Ô°Ý(mm) |
³»°æ(I.D) |
¿Ü°æ(O.D) |
°£°Ý |
º»´ç±æÀÌ(L) |
| ÀÌÁߺ®(DP) |
´ÙÁߺ®(MP) |
P |
P1 |
| D150 |
150¡¾5.1 |
176 |
176 |
120 |
40 |
6m |
| D200 |
200¡¾5.1 |
232 |
232 |
120 |
40 |
| D250 |
250¡¾5.1 |
284 |
284 |
120 |
50 |
| D300 |
300¡¾5.1 |
340 |
340 |
120 |
50 |
| D350 |
350¡¾5.1 |
398 |
398 |
120 |
60 |
| D400 |
400¡¾5.1 |
460 |
460 |
120 |
60 |
| D450 |
450¡¾5.1 |
510 |
510 |
120 |
70 |
| D500 |
500¡¾5.1 |
570 |
570 |
120 |
70 |
| D600 |
600¡¾5.1 |
694 |
694 |
120 |
70 |
|
¡Ø
´ç»çÀÇ Ç°ÁúÇâ»óÀ» À§ÇØ º¯°æµÉ ¼ö ÀÖÀ½.
ÁÖ) 1. O.T ½ÅÃàÀÏüÇüÀ¯°ø°üÀº D150~D600Àû¿ë
2. P1ÀÇ À¯°øÅ©±â´Â 12mm¡¾1mm
3. P1, À¯°ø°£°Ý ÁÖ¹®Á¦ÀÛ °¡´É (ÀüÀ¯°ø 1/2À¯°ø, 2/3À¯°ø) |
| |
|
|
 |
 |
| ±Ô°Ý(mm) |
³»°æ(I.D) |
¿Ü°æ(O.D) |
°£°Ý |
º»´ç±æÀÌ(L) |
| ÀÌÁߺ®°ü(DP) |
ÀÌÁߺ®°ü(2±Þ) |
´ÙÁߺ®°ü(MP) |
P |
P1 |
| D150 |
150¡¾4.5 |
176 |
174 |
176 |
120 |
40 |
6m |
| D200 |
200¡¾5.1 |
228 |
224 |
232 |
120 |
40 |
| D250 |
250¡¾5.1 |
280 |
278 |
284 |
120 |
50 |
| D300 |
300¡¾5.1 |
338 |
328 |
340 |
120 |
50 |
| D350 |
350¡¾5.1 |
394 |
380 |
398 |
120 |
60 |
| D400 |
400¡¾5.1 |
450 |
438 |
460 |
120 |
60 |
| D450 |
450¡¾5.1 |
508 |
494 |
510 |
120 |
70 |
| D500 |
500¡¾5.1 |
562 |
550 |
570 |
120 |
70 |
| D600 |
600¡¾5.1 |
678 |
662 |
694 |
120 |
70 |
| D700 |
700¡¾6.4 |
788 |
778 |
800 |
120 |
80 |
| D800 |
800¡¾6.4 |
900 |
888 |
916 |
120 |
80 |
| D900 |
900¡¾6.4 |
1012 |
1000 |
1024 |
120 |
80 |
| D1000 |
1000¡¾6.4 |
1124 |
1112 |
1150 |
120 |
80 |
| D1200 |
1200¡¾6.4 |
1350 |
1324 |
1390 |
120 |
80 |
| D1500 |
1500¡¾7.6 |
1690
|
|
1710 |
120 |
80 |
|
¡Ø
´ç»çÀÇ Ç°ÁúÇâ»óÀ» À§ÇØ º¯°æµÉ ¼ö ÀÖÀ½.
ÁÖ) 1. PE°ü(´ÜÃþ, 1Á¾, 2Á¾ º¹Ãæ, Àü±Ô°Ý Àû¿ë)
2. P2ÀÇ À¯°øÅ©±â´Â 12mm¡¾1mm
3. P1, À¯°ø°£°Ý ÁÖ¹®Á¦ÀÛ °¡´É (ÀüÀ¯°ø 1/2À¯°ø, 2/3À¯°ø) |
| |
|
|
|
|
|
|